产品中心/Product Center

产品列表
  • UTG21-K型超声波液位计
  • 本站编辑:杭州特力声科技有限公司发布日期:2024-12-17 15:05浏览次数:

产品特点:

image.png

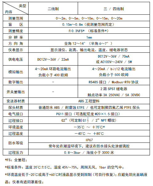
  • 参数信息
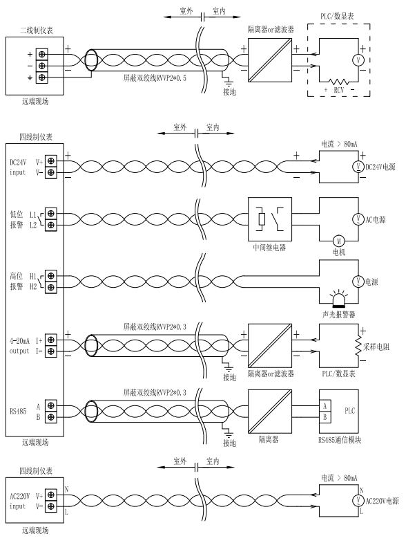
  • 安装接线
  • 调试步骤
  • 尺寸说明
  • 关于运输
  • 售后服务

image.png

image.png


 image.png

image.png

关于运输.jpg

售后服务.jpg

返回上一层

销售一部:0571-88052635
在线咨询(刘先生)

销售二部:0571-86058040
在线咨询(马小姐)

销售三部:0571-88051722
在线咨询(华先生)

销售四部:0571-89874215
在线咨询(谢先生 )